
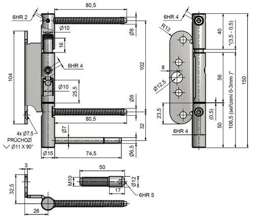
5546_8700_zaves_dverni_15x150_3dil_BZ_TR80_P_R

Výkres

Schéma pravé dveře
Dostupné varianty
Moderní závěs seřiditelný ve dvou směrech (výškově a přítlak k zárubni) pro dřevěné dveře s polodrážkou. Je opatřen červíkem, který zabraňuje vyšroubování pantu.
Díky prodlouženým svorníkům je závěs vhodný pro protipožární zkoušky.
Upozornění: Protipožární závěsy je nutno odzkoušet v celém kompletu s dveřmi a zárubní!








