
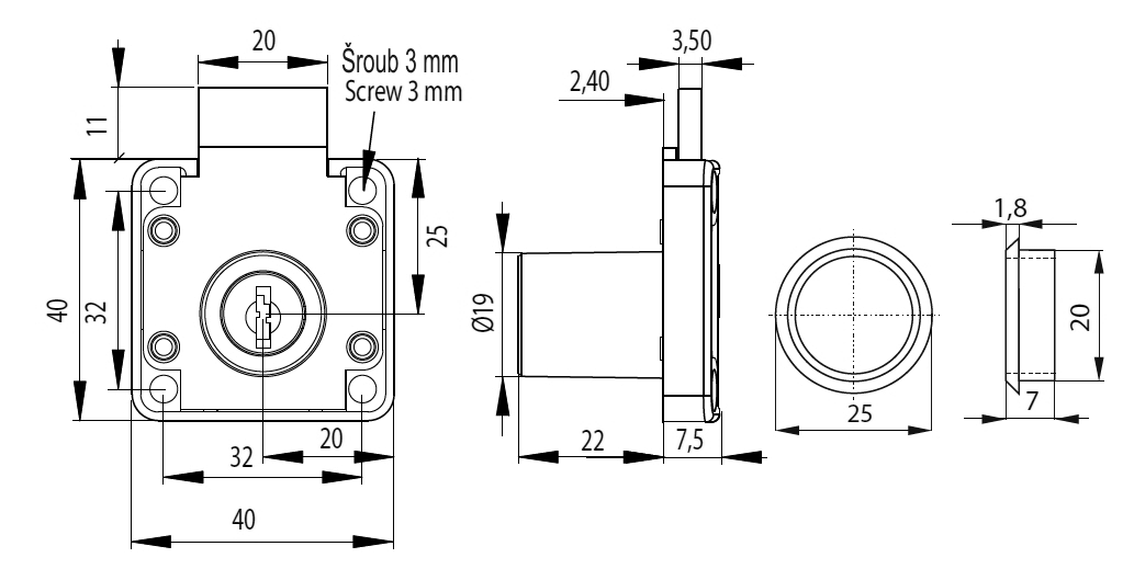
Z10.14.00.0

Výkres zámku

Montážní návod MIC
Dostupné varianty
Nábytkový zámek řady SISO "MIC" pro zásuvky, skříně a skříňky (s různými či stejnými klíči) s možností generálního klíče.
Dostupné typy vložek na stejné klíče Vám dodáme po konzultaci. Vložky se do těla zámku vkládají pomocí montážního klíčku a kdykoliv je lze montážním klíčkem opět vyjmout. Kombinovat můžete vložky na stejné i různé klíče - pouze je nutné vybrat varianty pro stejný typ generálního klíčku (J11 nebo J12!).
Každá vložka, každý zámek obsahuje 2 klíčky.







