
6746

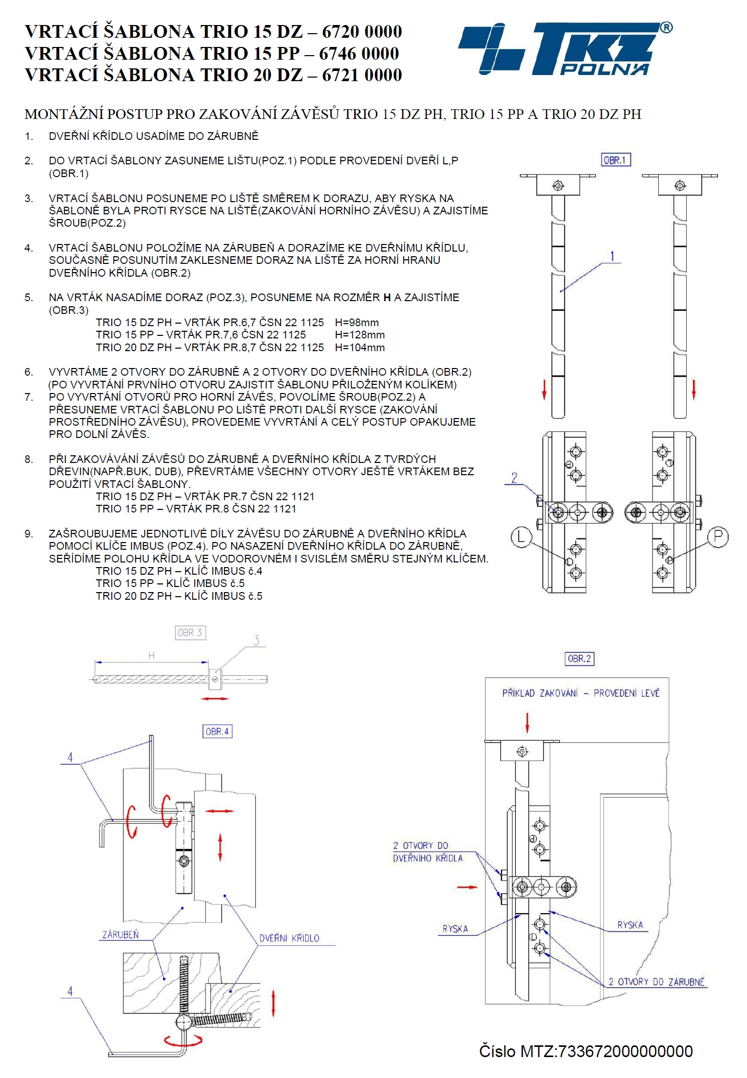
Návod k zakování pomocí šablony
Dostupné varianty
Ideální pomocník pro přesné vrtání otvorů závěsů řady TRIO 15 PP (viz související zboží níže). Šablony lze spojit lištou 6750053E pro vrtání otvorů.

6746

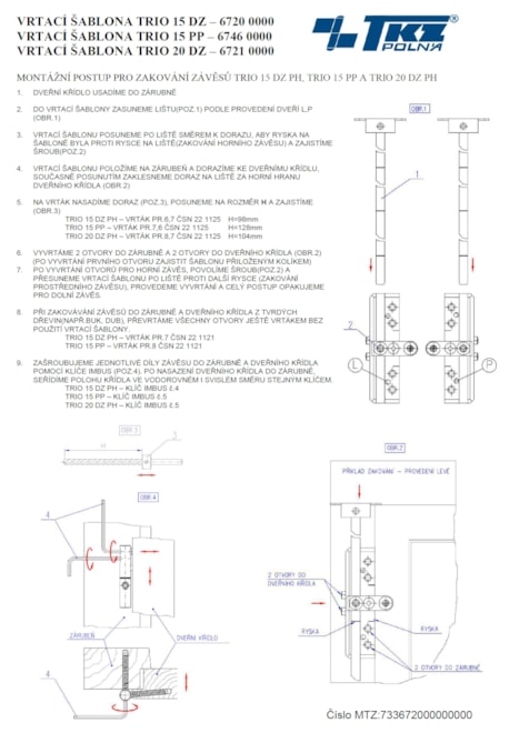
Návod k zakování pomocí šablony
Ideální pomocník pro přesné vrtání otvorů závěsů řady TRIO 15 PP (viz související zboží níže). Šablony lze spojit lištou 6750053E pro vrtání otvorů.