
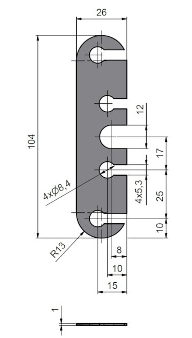
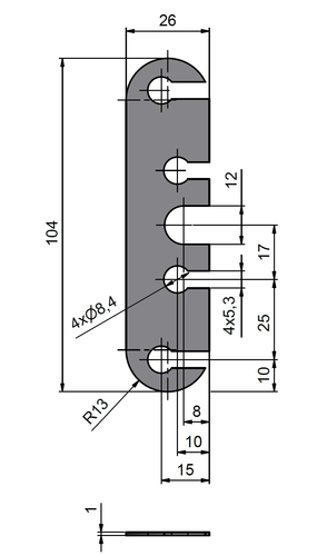
4523

2-4523_obr

Výkres
Dostupné varianty
Kovová podložka určená pro pravý nebo levý vrchní díl 50/3 nebo závěs 15x150 třídílný (viz související zboží níže). Slouží k "doseřízení vůle pantu".

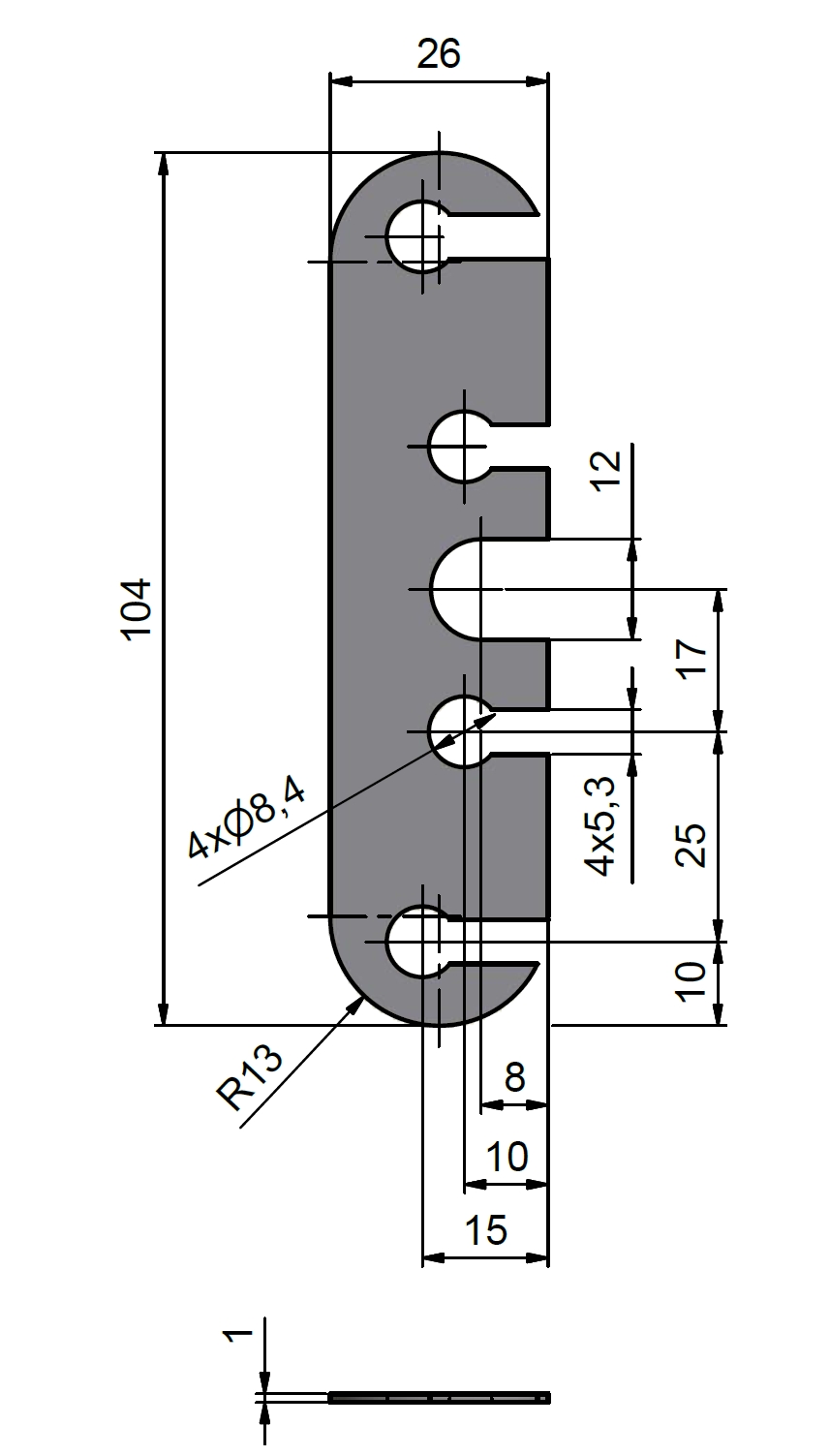
4523

2-4523_obr

Výkres
Kovová podložka určená pro pravý nebo levý vrchní díl 50/3 nebo závěs 15x150 třídílný (viz související zboží níže). Slouží k "doseřízení vůle pantu".