
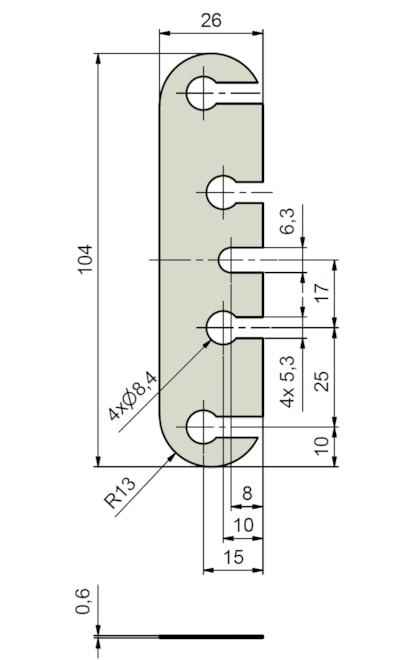
Plastic pad to hinge 50/3

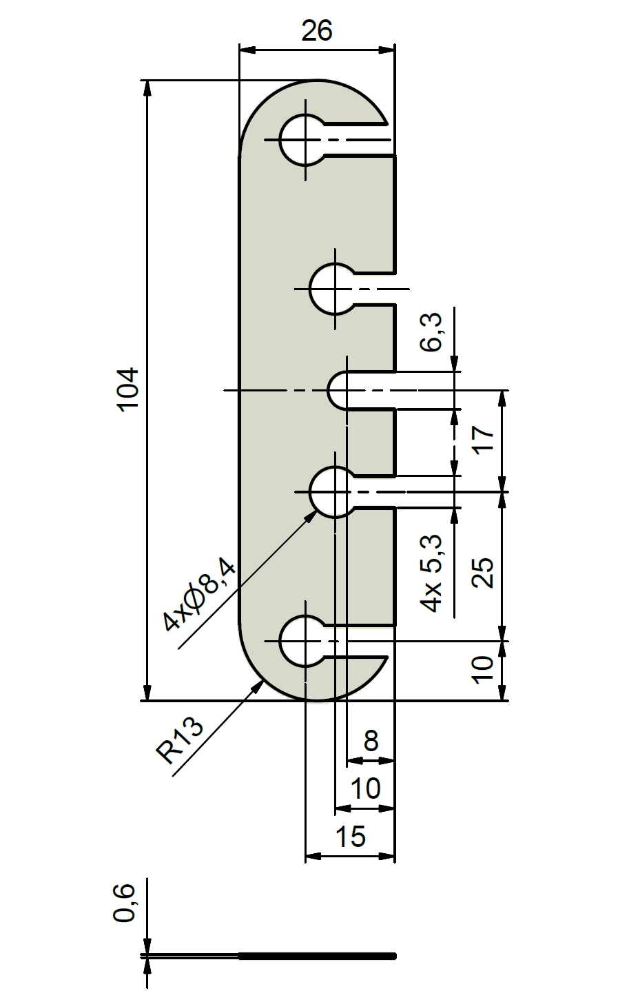
Plastic pad to hinge 50/3
Dostępne warianty
The plastic pads to hinge 50/3 right or left. You can regulate „the motion of the hinge“ with these pads.

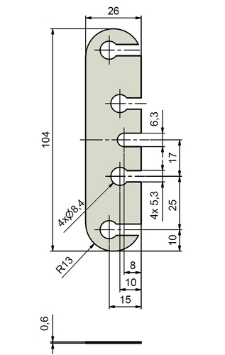
Plastic pad to hinge 50/3

Plastic pad to hinge 50/3
The plastic pads to hinge 50/3 right or left. You can regulate „the motion of the hinge“ with these pads.