
Sauna hinge F/Glass doors TREBISOV

Sauna hinge F/Glass doors TREBISOV

Sauna hinge F/Glass doors TREBISOV

Sauna hinge F/Glass doors TREBISOV
Verfügbare Varianten
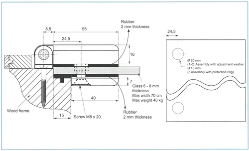
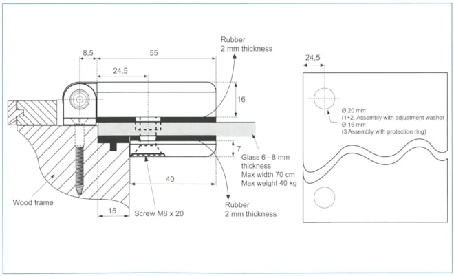
Sauna hinge for glass doors, openning 180°, load capacity 20 kg per hinge per hinge, glass thckness: 6-8 mm, max glass width: 1000 mm.








